-
Koszyk jest pusty
-
x
- Kategorie
-
STIEBEL Ogrzewacz elektryczny podumywalkowy przepływowy 3500W 200138
| Wysyłka w ciągu | 48 godzin |
| Cena przesyłki | 18 |
OGRZEWACZ EIL 3 Plus:
- Nadaje się do montażu poniżej punktu poboru
- Możliwość eksploatacji z armaturą ciśnieniową lub bezciśnieniową
- Specjalny regulator strumienia gwarantuje idealny kształt strumienia
- Mini przepływowy ogrzewacz wody z regulacją hydrauliczną udostępniający natychmiast ciepłą wodę użytkową w niewielkich ilościach
- Do prostego podłączenia elektrycznego do każdego gniazda wtykowego z uziemieniem
Miniogrzewacz przepływowy EIL Plus – świetne rozwiązanie dla Twoich potrzeb!
Miniogrzewacz przepływowy EIL Plus stanowi rozwiązanie do montażu ciśnieniowego. Może zatem bez problemu współdziałać z dostępnymi powszechnie na rynku armaturami ciśnieniowymi.
Urządzenie zależnie od typu jest w stanie przygotowywać od dwóch do czterech litrów wody na minutę. Ponieważ ogrzewacz przepływowy można bez problemu podłączyć do typowych armatur odpornych na ciśnienie, jest on także niezwykle łatwy w adaptacji.

Rozkoszuj się ciepłą wodą w najszybszy sposób!
Masz w domu takie miejsca, w których tylko sporadycznie musi być dostępna ciepła woda? W takiej sytuacji dobrym rozwiązaniem będzie ten mini ogrzewacz przepływowy. Woda szybko osiąga zadaną temperaturę dzięki decentralnej instalacji.
Ogrzewacze przepływowe mini ogrzewają wodę bezpośrednio w punkcie poboru i tylko wtedy, gdy jest to konieczne. Pozwala to na uniknięcie strat energii i wody przez duże długości instalacji wodnych. Rezultatem tego jest wysoka efektywność energetyczna.

ŁATWA INSTALACJA!
INSTALACJA PROFI-RAPID®: profesjonalny system instalacyjny zapewnia oszczędność czasu i szybki montaż.
Łatwy montaż na ścianie: mocowanie 2-punktowe, ścianka tylna ogrzewacza służy jako szablon do wiercenia otworów. Otwory wzdłużne służą do wyrównania odchyłek wiercenia. Pokrywę urządzenia i zespół konstrukcyjny można zdemontować jednym ruchem ręki.
Szybkie i uniwersalne podłączenie wody: zewnętrzne metalowe króćce 3/8 " do bezpośredniej i uniwersalnej instalacji armatury. Proste podłączenie elektryczne: przewód zasilania przygotowany fabrycznie, wersja 3,5 kW z wtyczką ochronną , inne warianty do podłączenia stałego. Stopień ochrony IP 25
Przeznaczone do zaopatrywania w ciepłą wodę jednego punktu poboru. Eksploatacja możliwa z armaturami ciśnieniowymi lub bezciśnieniowymi.
KĄCIK TECHNICZNY:
- Producent: STIEBEL ELTRON
- Kolor: Biały
- Wersja: Podumywalkowa
- Rodzaj: Ciśnieniowy (można podłączyć zwykłą baterię)
- Sterowanie: Hydrauliczne
- Waga: 1,4 kg
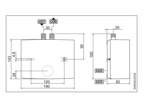
- Wysokość: 143 mm
- Szerokość: 190 mm
- Głębokość: 82 mm
- Moc: 3,5 kW
- Napięcie: 230 V
- Zabezpieczenie: 16 A
- Stopień ochrony IP: IP 25
- Klasa efektywności energetycznej: A

Informacje dotyczące bezpieczeństwa
Lista ostrzeżeń dotyczących bezpieczeństwa podgrzewaczy wody oparta o wymagania Rozporządzenia (UE) 2023/988 w sprawie ogólnego bezpieczeństwa produktów (GPSR)
* Ryzyko porażenia prądem:
* Upewnij się, że instalacja elektryczna jest zgodna z obowiązującymi normami.
* Nie dotykaj podgrzewacza wody mokrymi rękami.
* W przypadku awarii elektrycznej natychmiast odłącz urządzenie od zasilania.
* Ryzyko wybuchu:
* Nie blokuj otworów wentylacyjnych podgrzewacza wody.
* Regularnie sprawdzaj ciśnienie w zbiorniku.
* W przypadku stwierdzenia nieprawidłowości w ciśnieniu natychmiast wyłącz urządzenie i skontaktuj się z serwisem.
* Ryzyko poparzenia:
* Uważaj na gorącą wodę wypływającą z kranu.
* Zabezpiecz dostęp do podgrzewacza wody przed dziećmi i osobami nieświadomymi zagrożenia.
* Ryzyko zatrucia:
* Zadbaj o odpowiednią wentylację pomieszczenia, w którym zainstalowany jest podgrzewacz wody (szczególnie dotyczy podgrzewaczy gazowych).
* Regularnie sprawdzaj sprawność systemu odprowadzania spalin.
* W przypadku podejrzenia nieszczelności natychmiast wyłącz urządzenie i skontaktuj się z serwisem.
* Ryzyko pożaru:
* Nie umieszczaj materiałów łatwopalnych w pobliżu podgrzewacza wody.
* Regularnie sprawdzaj stan przewodów elektrycznych i gazowych.
* W przypadku wycieku gazu natychmiast zakręć zawór i wezwij odpowiednie służby.
* Ryzyko legionelli:
* Utrzymuj temperaturę wody w zbiorniku powyżej 60°C.
* Regularnie przeprowadzaj dezynfekcję termiczną.
* W przypadku dłuższej przerwy w użytkowaniu przepłucz dokładnie instalację ciepłą wodą.
* Instalacja i konserwacja:
* Zleć instalację i konserwację podgrzewacza wody wykwalifikowanemu specjaliście.
* Przestrzegaj zaleceń producenta dotyczących konserwacji.
* Regularnie sprawdzaj stan anody magnezowej i wymieniaj ją w razie potrzeby.
* Utylizacja:
* Zużyty podgrzewacz wody oddaj do punktu zbiórki elektroodpadów.
* Nie demontuj urządzenia samodzielnie.
Dane producenta
STIEBEL ELTRON Polska Sp. z o.o.
Działkowa 2
02-234 Warszawa
Poland
kontakt@stiebel-eltron.pl